Technical index
- Flame resistance:UL94-V0
- Operating temperature:-10~+70℃
- Storage temperature:-25~+70℃
- Dielectric strength:6KV 50Hz 1min
Specification
| Parameter | Values |
| Rated Input | ±300A, ±500A, ±800A, ±1000A, ±1500A, ±2000A |
| Input Measurement Range | ±360A, ±600A, ±960A, ±1200A, ±1800A, ±2400A |
| Rated Output | ±4V |
| Accuracy | 1% |
| Linearity | 1% |
| Supply Voltage | ±12V / ±15V |
| Current Consumption | ≤±16mA |
| Load Impedance | ≥10KΩ |
| Zero – offset Voltage | ≤±15mV |
| Response Time | ≤5 μs |
| Weight | 626g |
| Operating Temperature | -10 ~ +70°C |
| Storage Temperature | -25 ~ +70°C |
| Bandwidth | – |
| Dielectric Strength | 6KV 50Hz 1min |
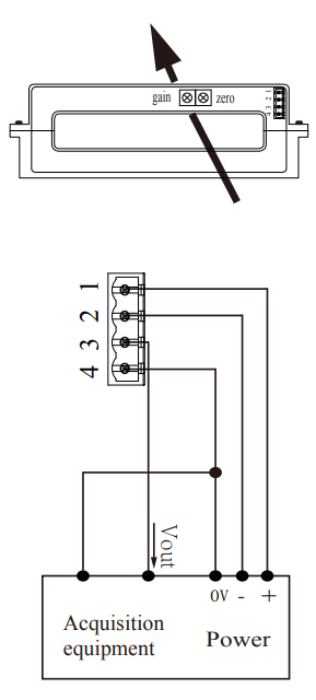
Wiring diagram:









